News
Igaganga Sperrholz schwer entflammbar
Verwendung: Karosseriebau, ModellbauAusführung: alle Schichten kreuzweise verleimt, durch Imprägnierung schwer entflammbar gemacht
Verleimung: AW 100
Qualitäten: II/III
Format: 2.500 x 1.220 mm, 3.100 x 1.530 mm
Stärken: 10, 12, 15, 18, 22, 25, 30, 35, 40 [mm]
Bearbeitung & Behandlung
- Zuschnitte nach Liste
- Kantenbearbeitung (z.B. 2-seitig bzw. 4-seitig mit Nut- und Feder
- Sonderbehandlung gegen Pilzbefall, Insekten und Termiten möglich
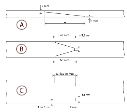
- Schäftung - (Ausführung je nach Stärke)
A: ab 10 mm - 8x Stärke und max 170 mm
B: ab 18 mm
C: ab 25 mm

